bbin宝盈机械,量身定制,为你而来

车V带面I

车V带面I

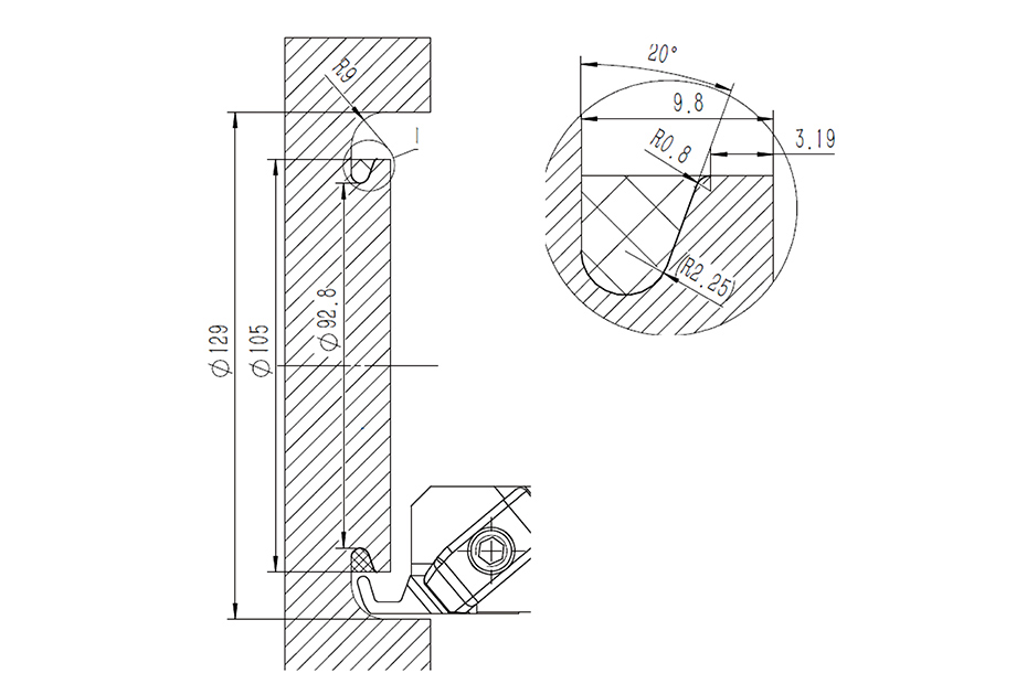
汽车涡轮增压壳体

零件材质:高温铸钢

加工内容:20°、R2.25、R1

加工设备:数控车床

切削参数:Vc=60~90m/min

被加工部位 / Machining parts

被加工部位

加工刀具 / tool

加工刀具

技术参数 / Technical parameters

技术参数

技术参数

技术参数

全国服务热线

400-029-2733